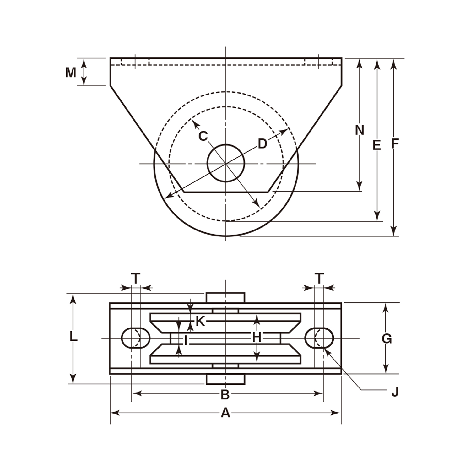
| 品番 | サイズ | A | B | C | D | E | F | G | H | I | J | K | L | M | N | T |
| WHU-0505 | 50mm | 100 | 74 | 38 | 50 | 59 | 65 | 33 | 20 | 6 | 11 | 4 | 40 | 14 | 55 | 4 |
| WHU-0605 | 60mm | 100 | 74 | 44 | 60 | 60 | 68 | 37 | 26 | 6 | 11 | 5 | 46 | 14 | 55 | 4 |
| WHU-0755 | 75mm | 120 | 99 | 58 | 75 | 79.5 | 88 | 37 | 26 | 6 | 11 | 4.5 | 46 | 14 | 70 | 4 |
| WHU-0905 | 90mm | 120 | 99 | 73 | 90 | 87.5 | 96 | 37 | 26 | 6 | 11 | 4.5 | 46 | 21 | 75 | 4 |
| WHU-1055 | 105mm | 145 | 119 | 85 | 105 | 108 | 118 | 39.5 | 28 | 6 | 11 | 4 | 51 | 21 | 90 | 4 |
| WHU-1205 | 120mm | 145 | 119 | 100 | 120 | 115.5 | 125.5 | 39.5 | 28 | 6 | 11 | 4 | 51 | 21 | 90 | 4 |
【材質】車:鉄鋳物 / 枠:SPCC(三価クロメートメッキ)